开发板硬件简介
*以下内容介绍中使用的固件为D1-H哪吒开发板v0.5释放版本固件,并在内核中选中JD9366AB LCD屏幕驱动。
*固件下载地址:D1-H哪吒开发板测试固件20210416
*开发板原理图见:D1-H哪吒开发板原理图20210520
连接示意图
D1-H哪吒开发板,宛若一把瑞士军刀,可以连接许多外部设备。


USB
板子上有一个USB HOST和两个Type-C USB口,其中:
(1)HDMI旁边的一个只能用于供电,输入电压/电流为5V/2A;
(2)串口线旁边的USB Type-C用于数据传输,可以进行固件烧写、设备信息烧写、ADB shell、adb push/pull等操作,同时也能供电,供电大小主要取决于PC USB口的电流输出,一般可以满足系统启动需求,但是部分功下能可能供电不足,如MIPI-DSI屏幕等,需要插上5V/2A才能稳定供电;
(3)USB HOST可用于插U盘、USB摄像头、鼠标、键盘等,遵循标准USB 2.0协议。
串口

开发板上UART口有3个插针,分别是GND、RX、TX,在开发板板身上有印上每个插针对应功能
官方提供的CH340串口线线序分别:黑色-GND,绿色-RX,白色-TX,红色为电源,此处不需要插,具体连接如下图。

Windows PC使用串口线时需要安装串口转USB驱动
插入串口时PC会识别串口芯片型号,开发工具包赠送的串口芯片型号为FT232R或CH341SER(内测开发者版本)
串口驱动下载可以参考: 串口驱动
也可以自行搜索串口驱动或使用自己的串口线,建议使用3.3V串口线。
波特率:115200
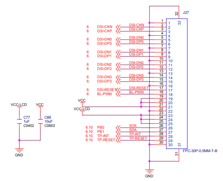
显示接口
显示接口可连接MIPI-DSI屏幕和触摸,线序如下:

开发板自带固件默认是显示接口输出,如果是非显示接口输出,或被改成了HDMI输出,可以使用如下命令切换到显示接口输出:
cd /sys/kernel/debug/dispdbg
echo disp0 > name; echo switch1 > command; echo 1 4 0 0 0x4 0x101 0 0 0 8 > param; echo 1 > start;
echo 1 4 0 0 0x4 0x101 0 0 0 8 > param;——此处的第一个参数 1 代表MIPI-DSI输出,如果是要切换为HDMI输出,则改为 4
使用默认固件,启动时会显示Tina Linux企鹅小logo

显示colorbar
echo 1 > /sys/class/disp/disp/attr/colorbar
播放本地视频:
tplayerdemo /usr/lib/tt-data/01-1080P-HEVC-AAC-60F.mkv
HDMI
切换到HDMI输出:
cd /sys/kernel/debug/dispdbg
echo disp0 > name; echo switch1 > command; echo 4 10 0 0 0x4 0x101 0 0 0 8 > param; echo 1 > start;
测试显示colorbar:
echo 1 > /sys/class/disp/disp/attr/colorbar

测试播放视频:
tplayerdemo /usr/lib/tt-data/01-1080P-HEVC-AAC-60F.mkv

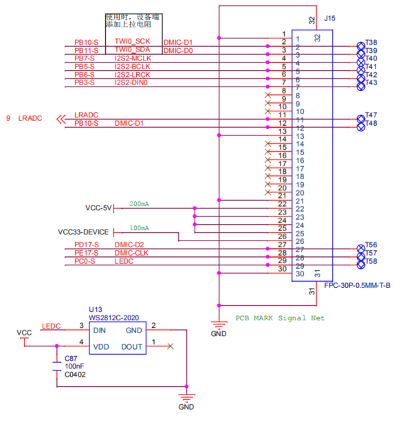
麦克风子板
麦克风子板连接如图:

录音命令如下:
//使用arecord命令,在设备硬件设备snddmic上录一个采样率为16000、格式为S16_LE、6声道的音频文件,存到/tmp/test.wav
arecord -D hw:snddmic -r 16000 -f S16_LE -c 6 /tmp/test.wav
用 adb pull 把音频文件拉到PC用音频处理软件 Audacity 打开,可以看到录到的6个声道声音如下:

麦克风子板排线线序如下:

3.5mm耳机口
如示意图,插入耳机或其它3.5mm的音频设备,即可播放音频,命令如下:
aplay /usr/lib/tt-data/16000-mono-s16_le.wav
*D1-H哪吒开发板支持的3.5mm接口为美标(CTIA),即从里到外分别为左、右、地、Mic,目前主流手机耳机接口均为美标。
SD卡
SD卡卡槽在开发板的背面,插入SD卡即可读到SD卡中的数据。

SD卡的数据会自动挂在 /mnt/SDCARD目录下,cd /mnt/SDCARD 可以卡到SD卡下的文件:

以太网网口
以太网接口将可上网的水晶头网线插入即可进行使用,如图:
D1-H Tina v0.5内测版本
软件使用时需先将eth网口up起来:
ifconfig eth0 up
然后进行ip、gw、dns server等配置,Tina对这些操作进行了集成,只需要:
udhcpc -i eth0
此时就可以直接ping互联网的网址了,如图:

D1-H Tina v1.0版本
D1-H Tina 公测v1.0版本增加了br-lan,需要手动配置:
ifconfig br-lan 192.168.11.11
此时再去ping路由器地址进行测试:
ping 192.168.11.11
40pin插针

*图中左下角方形标识为0位,与开发板上背面方形焊点对应
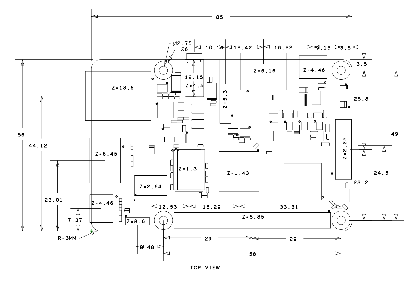
板框间距图

